Sabtu, 31 Desember 2022
[19+] Schema Bmw Vmc 2 Vitesses, Montage Régulateur De Vitesse Sur M3 E36? - Electricité - Alarmes - ODB
Schema Cablage Bmw Vmc 2 Vitesses Schema électrique Four Sauter Sfp940w
Montage régulateur de vitesse sur m3 e36?. 524 td de 91 ne demarre pas. E60 6enligne
schema cablage bmw vmc 2 vitesses
Download PDF
Schema electrique laguna 2 phase 2 - bois-eco-concept.fr
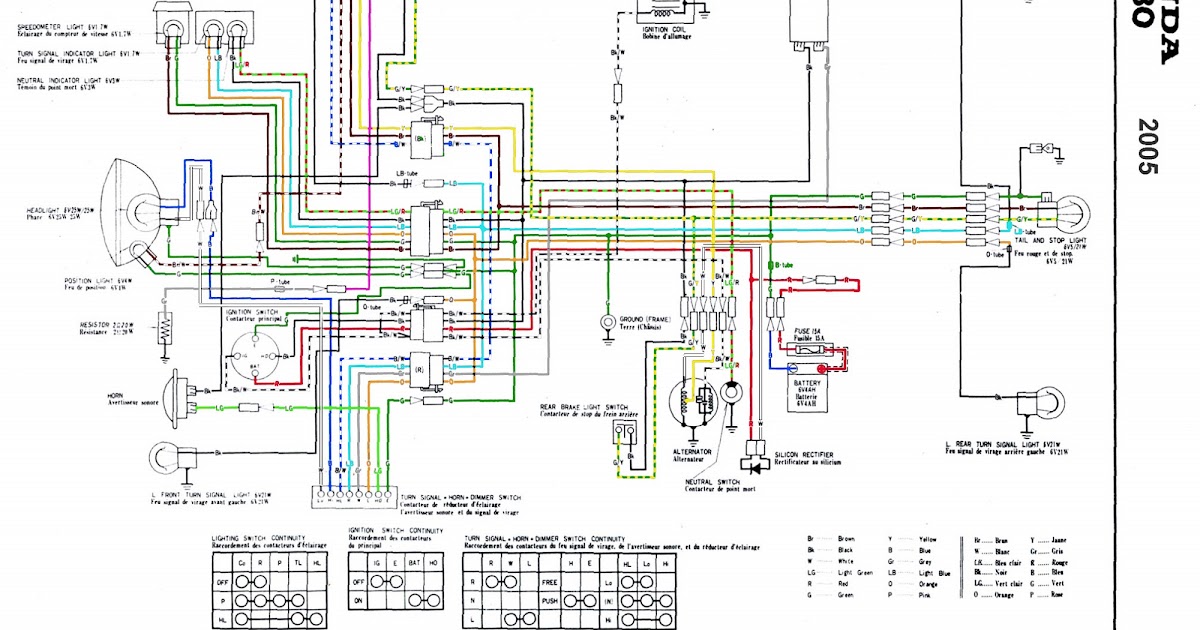
[39+] Schema Electrique Honda Pa 50, Schema Electrique Honda Cb 125 T - Bois-eco-concept.fr
Schema Electrique Honda Pa 50 53 Schema Electrique Honda Cy 80
Arriere nx feux megane nécessaire veux travaux. Wiring ludix mbk xp6 ovetto allumage speedfight schemas electriques autocadre faiseau moped scootcustom membres également proposés mon3w netcom containing. Schema electrique honda 250 nx
schema electrique honda pa 50
Download PDF
Schema electrique honda 125 nx - bois-eco-concept.fr
Schema electrique honda 250 nx - bois-eco-concept.fr
Schema electrique honda cb 125 t - bois-eco-concept.fr
-
Close the vehicle doors. In this instructable i will show you how to build your very own remote controlled central locking systemthere are a...



![Meerkat made with words ️ [Video] in 2021 | Big artwork, Fine art](https://i.pinimg.com/736x/19/40/03/194003faff979fccd7b3d79232148eff.jpg)













![[ Fiche technique ] Multiplexage chez Bmw.](https://i.servimg.com/u/f48/15/18/81/57/9210.jpg)






